R&D

Proving that a system performs against vapour, liquid and liquid/ solid aerosol CBRNE Agent/ Simulant challenge.

SIBCRA Pro cutting-edge customized testing platforms are designed to satisfy scientific merits, national and international standards and recommendations, as required. The customization is complete, it may apply at the whole systems or individual elements: the challenge agent (authentic or simulant) generation, the challenge level check, the exposure chamber design and the analytical system setup measuring the performance of a test subject.

Proving that a system performs against vapour, liquid and liquid/ solid aerosol CBRNE Agent/ Simulant challenge.

SIBCRA Pro cutting-edge customized testing platforms are designed to satisfy scientific merits, national and international standards and recommendations, as required. The customization is complete, it may apply at the whole systems or individual elements: the challenge agent (authentic or simulant) generation, the challenge level check, the exposure chamber design and the analytical system setup measuring the performance of a test subject.

Testing of Medical Masks, Air Purifying Respirators (APR), Powered Air Purifying Respirators (PAPR) and Self-Contained Breathing Apparatus (SCBA) to determine the occurrence of inward leakage/ permeation.

Specially crafted mannequin is placed in a chamber for a test of respiratory protective systems against vapors, liquids and aerosols of chemical warfare agents (CWA), CWA simulants, toxic industrial chemicals (TIC), biological agents or radiological aerosols. ISO standard heads, digital breathing machine and programmed breathing patterns follow selected national (NIOSH, BS, EN, ASTM) and international standards (NATO).

Test Mannequins

Mannequin with an ISO skull crafted from cast aluminium. Thebrain cavity is made filled with resin to provide thermal mass mimicking human brain. A stainless- steel trachea attaches to a breathing machine. The front of the face is made of silicone face skin or from innovative, chemically resistant Viton/ Elastomer combination. This provides soft sealing point for a respirator. The half-torso is made of carbon composite material that is chemically inert and lightweight. Custom made/ introduced sampling lines.

Animatronic Mannequin Head

Speech is hardly repeatable even in a one-person test; our platform simulates realistic movements, speech and breathing routines of human operators. Absolutely repeatable human lip, jaw, and neck movements. The head form is suitable for use in chemically aggressive environments. The intuitive software gives the user complete control of any test .

Permeation testing of chemical protective garmament

Multi-modal test systems for swatch (coupon) testing of chemical protective garmament, in compliance with procedures US TOP 8-2-501 and NATO AEP-38.

Challenge Vapor Generator

Provides the test chamber with a stream of challenge vapor that is controlled with respect to concentration, flow rate, temperature, and relative humidity. Several setup versions are available, scaled for different flow rate ranges.

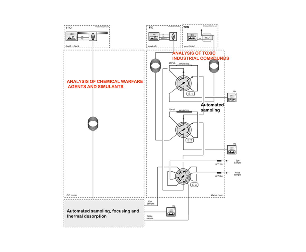
Analytical Test Setup

A state-of-the-art equipment setups for automated and programmed sampling from multiple sample points; short cycles times; low limits of detection (LOD) and quantification (LOQ); uniquely applicable for chemical warfare agents, their simulants and toxic industrial compounds.

Testing of Respirator Filter Canisters

A robust, modular system that allows for testing at high relative humidity (RH 80%) and air flows (up to 50 L/min). Testing with chemical warfare agents and toxic industrial chemicals (sulfur dioxide, hydrogen sulfide, ammonia, chlorine, etc.).

Gloves Thermal Resistance Contact Cold Test Platform (EN511:2006 and ISO 5085-1)

Carbon composite hand is heated to provide a uniform surface temperature to simulate the surface of a human hand. Two measuring zones – the hand and the forearm, the temperature loss of each one is recorded separately, providing data to measure the effectiveness of the gloves. Variation less than 5%, with typical results being within 1% of each other.

Sweating, Fogging and Ice Propagation Test for Full Face Respirators

Twenty-two independently dosed sweat zones are mapped across the face and scalp of the mannequin head. There are three individually heated zones at the head form. Cameras placed in eyes capture data at 10 frames per second. The control and data acquisition program highlights fogged zones from green to red corresponding to the degree of misting. A comprehensive report is generated on when fogging occurred and under what conditions.

Whole System Test

Standards and guidelines, such as the NATO clothing triptych, demand whole protective system testing. Our testing systems are designed to provide consistent, repeatable and reliable results. A custom build half body or full body mannequins are made of carbon composite material, they are lightweight and chemically resistant. Mounted into an external drive frame they can perform a user specified series of standard specified movement protocols/ test sequences.